USA Security Systems
LM16JC5MC
Kowa LM16JC5MC 2/3" 16mm 5MP Ultra Compact Lens Compatible With Sony IMX250 IMX252 IMX264 and IMX265 and many other sensors
Kowa LM16JC5MC 2/3" 16mm 5MP Ultra Compact Lens Compatible With Sony IMX250 IMX252 IMX264 and IMX265 and many other sensors
SKU:LM16JC5MC
Couldn't load pickup availability
*Please note this product is subject to tariff fee*
Discover the Versatile Kowa LM16JC5MC Ultra-Compact Lens
In the realm of industrial and machine vision applications, precision and reliability are paramount. Introducing the Kowa LM16JC5MC, a cutting-edge 5MP ultra-compact lens meticulously crafted to meet the exacting demands of modern imaging technology. With a focal length of 16mm and designed for 2/3" sensors with a pixel size from 3.5μm, this lens is optimized for superior performance across various industrial and machine vision settings.
Boasting compatibility with renowned Sony IMX sensors such as IMX250, IMX252, IMX264, and IMX265, the Kowa LM16JC5MC ensures seamless integration into existing setups. Its manual iris control, with an iris range from f/2.8 to f/16, empowers users with precise adjustments for optimal image quality in diverse lighting conditions.
The Kowa LM16JC5MC stands out as the smallest 5-megapixel lens in its class, offering unparalleled compactness without compromising on image resolution or quality. Its robust construction, combined with a wide temperature range from -10°C to +50°C, ensures reliable operation even in challenging environments.
From industrial inspection and quality control to robotics and autonomous vehicles, the Kowa LM16JC5MC lens excels in a myriad of applications. Elevate your imaging solutions with this powerhouse lens, revolutionizing the way you perceive and interact with industrial and machine vision technologies. Unlock new possibilities and enhance your vision with the Kowa LM16JC5MC ultra-compact lens.
Features:
- Ultra-compact design
- High-resolution 5MP lens
- Compatible with Sony IMX sensors
- Manual iris control for precision
- C-mount for versatile mounting options
Applications:
- Industrial inspection
- Quality control
- Robotics
- Autonomous vehicles
- 3D scanning
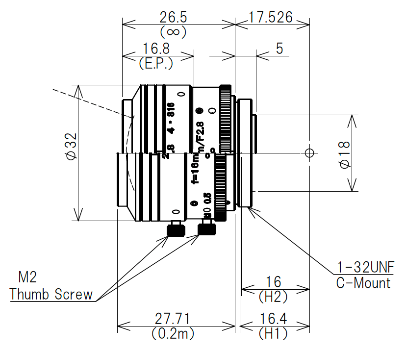
Focal Length (mm) | 16 mm |
Image Size (mm) | 8.8 x 6.6 (Φ11) |
Iris Range | F2.8 - F16 |
Focusing range (m) | 0.2 - ∞ |
Iris | Manual |
Focus | Manual |
Shooting range at MOD (mm) | 117.0 x 88.0 |
Angle of View (Degrees) | 2/3": 30.9 x 23.4 1/1.8": 25.5 x 19.2 1/3": 22.7 x 17.2 |
Resolution (Center, Corner) | 160lp/mm,100lp/mm |
TV Distortion (%) | -0.09 |
Back Focus in Air (mm) | 14.7 |
Mount | C-mount |
Filter Thread (mm) | * |
Size (mm) | Φ32 x 26.5 |
Weight | 55 |
Temperature Range | -10°C - +50°C |






