USA Security Systems
LM35HCSW
Kowa LM35HC-SW 1" 35mm SWIR C-Mount Lens
Kowa LM35HC-SW 1" 35mm SWIR C-Mount Lens
SKU:LM35HC-SW
Couldn't load pickup availability
*Please note this product is subject to tariff fee*
Discover the Power of Kowa LM35HC-SW 1" 35mm SWIR C-Mount Lens
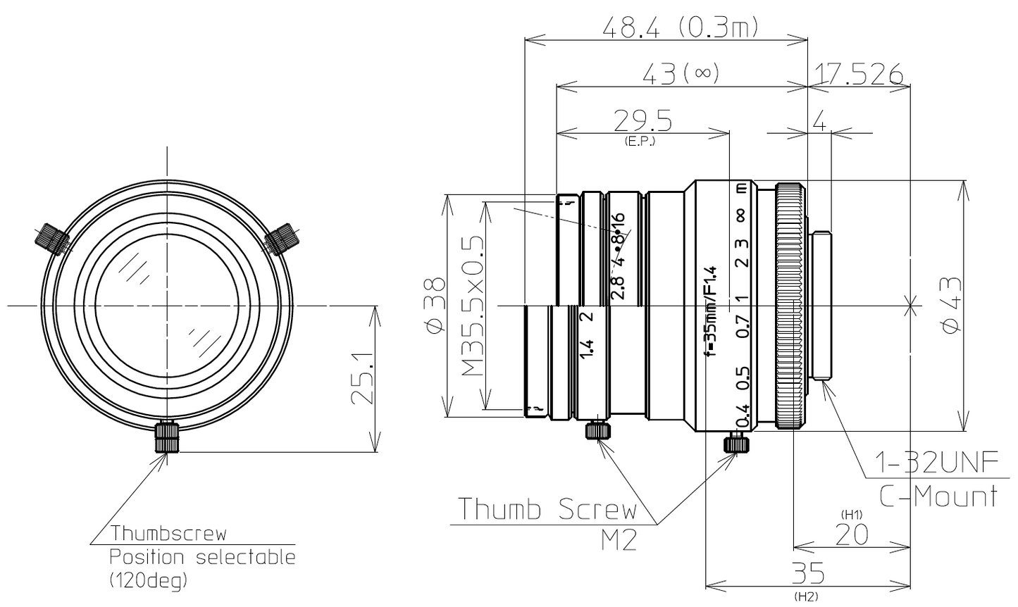
The Kowa LM35HC-SW is a standout in the field of machine vision lenses, particularly designed for industrial and SWIR imaging applications. With a focal length of 35mm and optimized for Short-Wave Infrared (SWIR) wavelengths ranging from 800nm up to 1900nm, this C-mount lens is engineered to deliver exceptional performance in various industrial environments.
Manufactured with precision, it boasts a high resolution of 120 lp/mm in the center and 80 lp/mm in the corner, ensuring crystal-clear imaging for critical inspection tasks. The manual iris control allows for precise adjustment from f/1.4 to f/16, offering flexibility in different lighting conditions. Its compact design and lightweight build make it versatile for integration into different machine vision setups.
Ideal for applications such as solar cell inspection, waste sorting, and biological research, the Kowa LM35HC-SW excels in providing accurate and detailed imaging for quality control and process optimization. Whether you're in manufacturing, pharmaceuticals, or research, this lens enhances your ability to capture fine details and make informed decisions.
Elevate your machine vision capabilities with Kowa LM35HC-SW 1" 35mm SWIR C-Mount Lens. Perfect for industrial applications, it delivers precise imaging for enhanced quality control. Upgrade your system today!
Features:
- 35mm focal length
- SWIR optimized (800nm - 1900nm)
- Manual iris control (f/1.4 - f/16)
- High resolution: 120 lp/mm (center), 80 lp/mm (corner)
- Compact and lightweight design
Applications:
- Solar cell inspection
- Waste sorting
- Biological research
- Industrial automation
- Manufacturing inspection
Focal Length (mm) | 35 |
Sensor Size | 1" |
Mount | C-Mount |
Iris Control | Manual |
Iris Range (F-Stop) | 1,4 - 16 |
Lens Type | Fixed Focal Lens |
Wavelength Range | SWIR (1000nm - 2000nm) |
Focusing Range (m) | 0,4 - ∞ |
Focus Control | Manual |
Resolution, Center (lp/mm) | 120 |
Resolution, Corner (lp/mm) | 80 |
Distortion (TV) (%) | -0,5 |
Back focus in air (mm) | 16,8 |
Filter Size (mm) | M35,5 x P0,5 |
Size (mm) | Ø43X 43 |
Weight (g) | 130 |
Temperature Range (℃) | -10°C - +50°C |
Series | HC-SW |
Application | Machine Vision |





